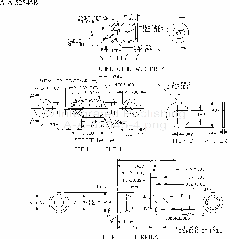
A-A-52545B

NOTES:
1. Dimensions are in inches. Unless otherwise specified tolerances are ±0.010 for shell, ±0.003 for washer and ± 0.007 for terminal.
2. The cable shall be unshielded single conductor type, 14 AWG size, with outside diameter of 0.160 ±0.010. The cable shall be designed and constructed as shown in A-A-52499.
3. Shell material shall be rubber grade M5BC610A14C12E034F19 or equivalent as specified in ASTM D2000.
4. Shell shall be marked “OZ” (ozone resistant).
5. Washer material shall be brass, temper 2 hard minimum.
6. Finished washer shall have burrs and sharp edges removed.
7. Terminal material shall be brass, temper 2 hard minimum.
8. Terminal finish shall be silver plate, 0.0002 minimum thickness.
FIGURE 2. Type II heater connector assembly.
For Parts Inquires call Parts Hangar, Inc (727) 493-0744
© Copyright 2015 Integrated Publishing, Inc.
A Service Disabled Veteran Owned Small Business