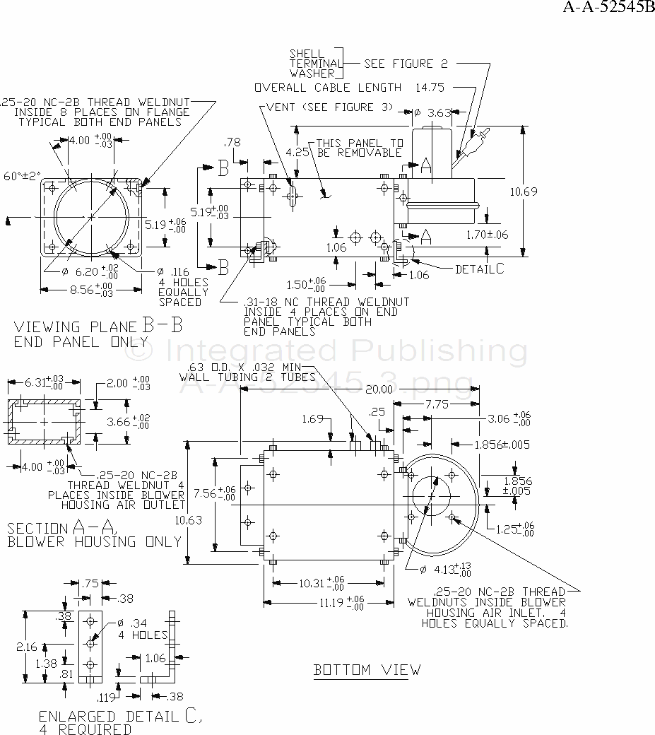
A-A-52545B

NOTES:
1. Dimensions are in inches, maximum, except detail C, unless otherwise specified. Detail C tolerances are +0.06.
2. Basic assembly is shown. Heater may be adapted to various configurations by rearranging or interchanging end panels or blower housing attachment.
FIGURE 1. Type II heater.
For Parts Inquires call Parts Hangar, Inc (727) 493-0744
© Copyright 2015 Integrated Publishing, Inc.
A Service Disabled Veteran Owned Small Business