emilspec
An Integrated Publishing, Inc. Site
eMilSpec
An Integrated Publishing Website
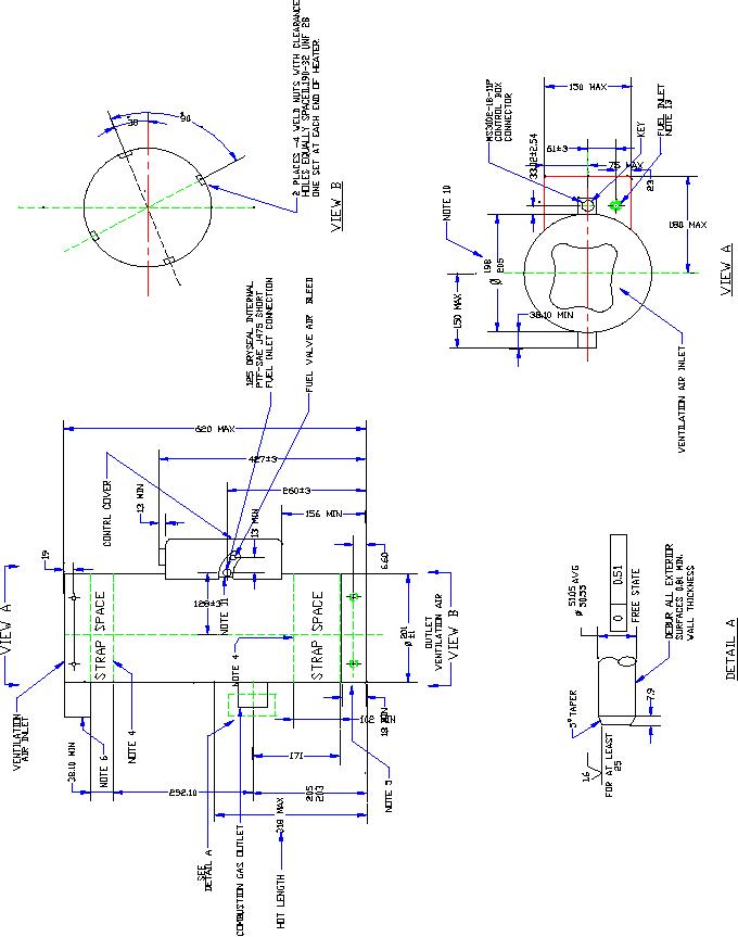
MIL-PRF-62550-1 Heater Assembly, Combustion Vehicular Compartment, 17.6 Kw, Single Air Type \(Metric\)
Pages
1
-
2
-
3
MIL-PRF-62550/1A(AT)
2 of 3
For Parts Inquires call
Parts Hangar, Inc
(727) 493-0744
© Copyright 2015 Integrated Publishing, Inc.
A Service Disabled Veteran Owned Small Business