
MIL-PRF-62315C
Part Identifying Number (PIN)
Prior MS part number
M62315-S
MS52287
NOTES:
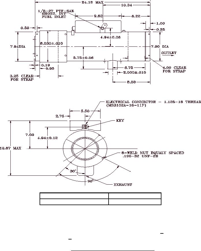
1. A minimum installation clearance of 3 inches at the air inlet to the blower must
be provided. A minimum clearance of 3 inches above the heater cover is
required for servicing.
2. Dimensions are in inches. Unless noted, tolerances are: angular +1°,
2 place decimal +0.06 inches.
FIGURE 2. Heater assembly, combustion single air type.
7
For Parts Inquires call Parts Hangar, Inc (727) 493-0744
© Copyright 2015 Integrated Publishing, Inc.
A Service Disabled Veteran Owned Small Business