A-A-52163B

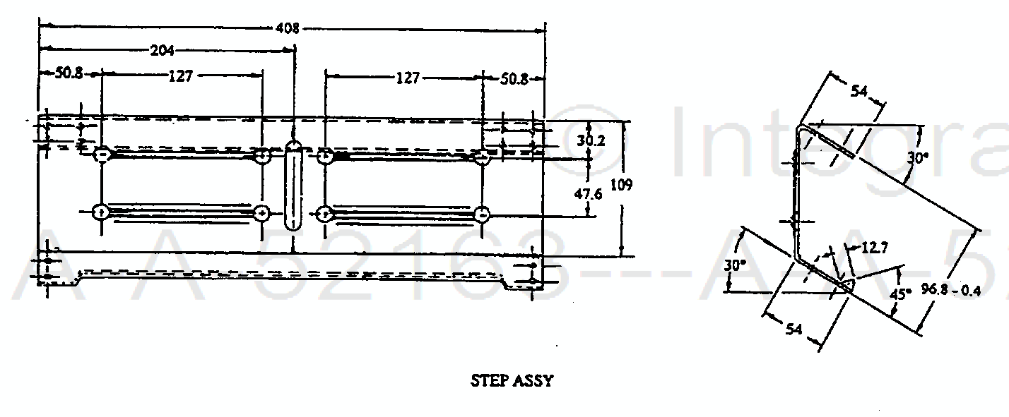
FIGURE 6. Ladder assembly, type F - Continued.
16
For Parts Inquires call Parts Hangar, Inc (727) 493-0744
© Copyright 2015 Integrated Publishing, Inc.
A Service Disabled Veteran Owned Small Business
A-A-52163B

FIGURE 6. Ladder assembly, type F - Continued.
16